一、超聲波氣象站產品簡介
WX-CQX8超聲波氣象站(具備省級校準證書)是一款高度集成、低功耗、可快速安裝、便于野外監測使用的高精度自動氣象觀測設備。
該設備免調試,可快速布置,廣泛運用于氣象、農業、林業、環保、海洋、機場、港口、科學考察、校園教育等領域。
與傳統的超聲波氣象站相比,我司產品克服了對高精度計時器的需求,避免了因傳感器啟動延時、解調電路延時、溫度變化而造成的測量不準問題。
該設備創新性的采用八要素一體式傳感器,可對風速、風向、溫度、濕度、氣壓、pm2.5、pm10、噪聲等氣象要素進行實時觀測,可實現戶外氣象參數24小時連續在線監測,通過數字量通訊接口將八項參數一次性輸出給用戶。
二、超聲波氣象站產品特點
1、頂蓋隱藏式超聲波探頭,避免雨雪堆積的干擾,避免自然風遮擋
2、原理為發射連續變頻超聲波信號,通過測量相對相位來檢測風速風向
3、風速、風向、溫度、濕度、氣壓、pm2.5、pm10、噪聲八要素一體式傳感器
4、標配GPRS、藍牙、485轉USB三種傳輸方式
5、兩米碳鋼支架,頂部無需法蘭盤可直接套接傳感器
6、傳感器外殼采用進口ASA材質,更有效對抗鹽霧等環境,防護等級達到IP65以上
三、超聲波氣象站技術參數
監測參數 | 量程 | 分辨率 | 準確度 | 配置 |
溫度 | -40-60℃ | 0.01℃ | ±0.3℃(25℃) | 標配 |
相對濕度 | 0-100%RH | 0.1% | ±3%RH | 標配 |
風速 | 0-60m/s | 0.01m/s | ±0.1m/s | 標配 |
風向 | 0-360° | 1° | ±2° | 標配 |
大氣壓力 | 30-110Kpa | 0.1Kpa | ±0.25% | 標配 |
PM2.5 | 0-1000ug/m3 | 1ug/m3 | ±10%(<500微克) | 標配 |
PM10 | 0-1000ug/m3 | 1ug/m3 | ±10%(<500微克) | 標配 |
噪聲 | 30-120dB | 0.1dB | ±1.5dB | 標配 |
降雨量 | 0.001-0.1mm/min | 0.1mm | 10% | 選配 |
光照度 | 0-20W LUX | 1lux | 5% | 選配 |
一氧化碳 | 0-10ppm | 0.001PPM | ±5%F.S | 選配 |
二氧化硫 | 0-5PPM | 0.001PPM | ±5%F.S | 選配 |
二氧化氮 | 0-5PPM | 0.001PPM | ±5%F.S | 選配 |
臭氧 | 0-5PPM | 0.1PPM | ±5%F.S | 選配 |
總輻射 | 0-2000W/m2 | 1W | 5% | 選配 |
二氧化碳 | 0-5000PPM | 1PPM | ±40PPM±讀數的3% | 選配 |
采集器供電接口:GX-12-3P插頭,輸入電壓5V,帶RS232輸出Json數據格式,采集器供電:DC5V±0.5V峰值電流1A | ||||
傳感器modbus、485接口:GX-12-4P插頭,輸出供電電壓12V/1A,設備配置接口:GX-12-4P插頭,輸入電壓5V | ||||
太陽能供電、配置鉛酸電池,可選配30W 20AH/50W 40AH/100W 100AH.充電控制器:150W,MPPT自動功率點跟蹤,效率提高20% | ||||
數據上傳間隔:30s-65535s可調 | ||||
7寸安卓觸屏,屏幕尺寸:1024*600 RGB LCD | ||||
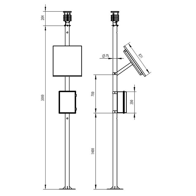
四、產品尺寸圖

五、產品結構圖

六、上位機軟件介紹
1、PC單機版數據接收、存儲、查看、分析軟件
2、支持串口數據接收、處理、展示
3、支持json字符串、modbus485等通信方式
4、可自設置存儲時間,modbus485采集模式下可自設置采集時間
5、支持自助增加、刪除、修改監測參數的協議、名稱、圖標等
6、支持數據后處理功能
7、支持外置運行javascript腳本
七、安卓APP介紹
1、安卓單機版數據接收、存儲、查看、分析軟件
2、支持藍牙數據接收
3、手機休眠后軟件后臺接收、處理
4、json數據自動添加設備,modbus設備支持掃碼添加設備
5、支持歷史數據查看、分析、導出表格,支持曲線展示、單數據點查看。
6、支持數據后處理功能
7、支持外置運行javascript腳本
八、云平臺介紹
1、CS架構軟件平臺,支持手機、PC瀏覽器直接觀測、無需額外安裝軟件。
2、支持多帳號、多設備登錄
3、支持實時數據展示與歷史數據展示儀表板
4、云服務器、云數據存儲,穩定可靠,易于擴展,負載均衡。
5、支持短信報警及閾值設置
6、支持地圖顯示、查看設備信息。
7、支持數據曲線分析
8、支持數據導出表格形式
9、支持數據轉發,HJ-212協議,TCP轉發,http協議等。
10、支持數據后處理功能
11、支持外置運行javascript腳本


魯公網安備37079402370804